Schnellwechseleinsatz SE 6 mm x 4,9 mm Größe 1 für DIN 371 M5-6 für DIN 374/376 M8
Bitte loggen Sie sich ein, um Preise zu sehen.
Lieferzeit 5-10 Werktage
(Keine Zustellung an Sonn- und Feiertagen)
Produktnummer:
648560
Herstellernummer:
93GOS1-6,0X4,9
EAN:
4030456362762
Katalognummer:
E6019825
Produktinformationen "Schnellwechseleinsatz SE 6 mm x 4,9 mm Größe 1 für DIN 371 M5-6 für DIN 374/376 M8"
ohne Sicherheitskupplung · Einsätze in denen die Gewindebohrer über die Schnellspanneinrichtung gehalten werden · die Drehmomentübertragung erfolgt über den Schaft-Vierkant · für unterschiedliche Schaftmaße sind verschiedene Einsätze erforderlich
Weitere technische Eigenschaften:
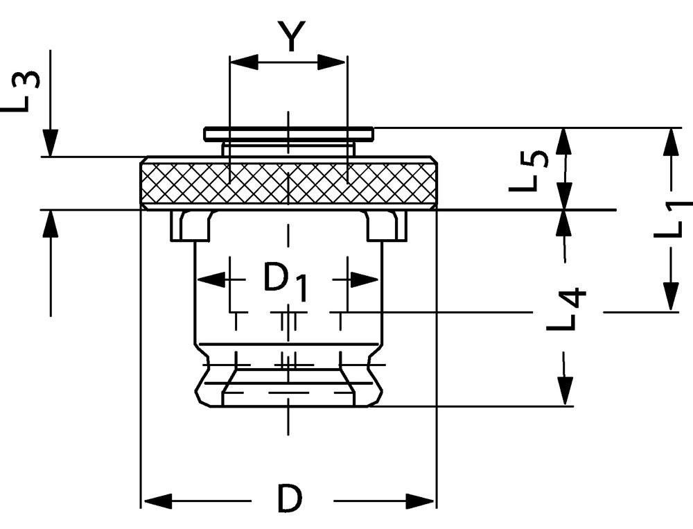
· L5: 7mm
· D: 30mm
· L4: 21,5mm
· D1: 19mm
Weitere technische Eigenschaften:
· L5: 7mm
· D: 30mm
· L4: 21,5mm
· D1: 19mm
| Ausführung: | ohne Sicherheitskupplung |
|---|---|
| Größe: | 1 |
| Schaft-Ø: | 6 mm |
| Vierkant: | 4,9 mm |
| für DIN 371: | M5-6 |
| für DIN 374/376: | M8 |
Anmelden
Keine Bewertungen gefunden. Teilen Sie Ihre Erfahrungen mit anderen.