Schnellwechseleinsatz SE 7 mm x 5,5 mm Größe 1 für DIN 374/376 M10
Bitte loggen Sie sich ein, um Preise zu sehen.
Lieferzeit 5-10 Werktage
(Keine Zustellung an Sonn- und Feiertagen)
Produktnummer:
648561
Herstellernummer:
93GOS1-7,0X5,5
EAN:
4030456362786
Katalognummer:
E6019826
Produktinformationen "Schnellwechseleinsatz SE 7 mm x 5,5 mm Größe 1 für DIN 374/376 M10"
ohne Sicherheitskupplung · Einsätze in denen die Gewindebohrer über die Schnellspanneinrichtung gehalten werden · die Drehmomentübertragung erfolgt über den Schaft-Vierkant · für unterschiedliche Schaftmaße sind verschiedene Einsätze erforderlich
Weitere technische Eigenschaften:
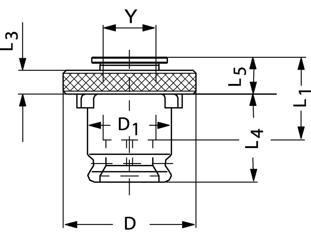
· L5: 7mm
· D: 30mm
· L4: 21,5mm
· D1: 19mm
Weitere technische Eigenschaften:
· L5: 7mm
· D: 30mm
· L4: 21,5mm
· D1: 19mm
| Ausführung: | ohne Sicherheitskupplung |
|---|---|
| Größe: | 1 |
| Schaft-Ø: | 7 mm |
| Vierkant: | 5,5 mm |
| für DIN 374/376: | M10 |
Anmelden
Keine Bewertungen gefunden. Teilen Sie Ihre Erfahrungen mit anderen.