Schnellwechseleinsatz SES 10 mm x 8 mm Größe 2 für DIN 371 M10
Bitte loggen Sie sich ein, um Preise zu sehen.
Lieferzeit 5-10 Werktage
(Keine Zustellung an Sonn- und Feiertagen)
Produktnummer:
648602
Herstellernummer:
93GMS2-10M10371
EAN:
4030456361413
Katalognummer:
E6019879
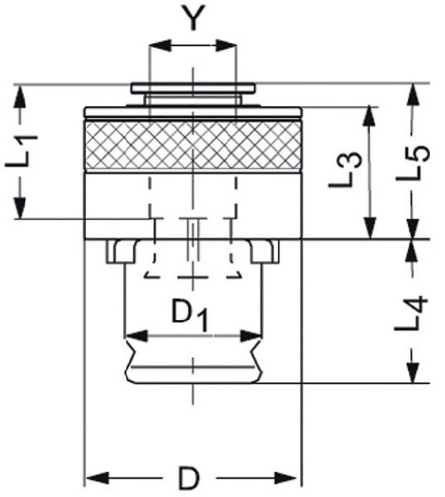
Produktinformationen "Schnellwechseleinsatz SES 10 mm x 8 mm Größe 2 für DIN 371 M10"
mit einstellbarer Sicherheitskupplung für Drehmomentbegrenzung · zur Vermeidung von Gewindebohrerbruch · die Drehmomentübertragung erfolgt über den Schaft-Vierkant · für unterschiedliche Schaftmaße sind verschiedene Einsätze erforderlich
Weitere technische Eigenschaften:
· L5: 34mm
· D: 50mm
· L4: 35mm
· D1: 31mm
Weitere technische Eigenschaften:
· L5: 34mm
· D: 50mm
· L4: 35mm
· D1: 31mm
| Ausführung: | mit Sicherheitskupplung |
|---|---|
| Größe: | 2 |
| Schaft-Ø: | 10 mm |
| Vierkant: | 8 mm |
| für DIN 371: | M10 |
Anmelden
Keine Bewertungen gefunden. Teilen Sie Ihre Erfahrungen mit anderen.