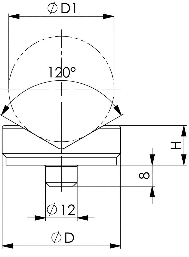
Schraubbockaufsatz Nr. 6441 Einsteckzapfen-Ø 12 mm Prisma Außen-Ø 65 mm
Bitte loggen Sie sich ein, um Preise zu sehen.
7 verfügbar, Lieferzeit: 2-3 Werktage
(Keine Zustellung an Sonn- und Feiertagen)
Produktnummer:
641734
Herstellernummer:
72769
EAN:
4020772072766
Katalognummer:
E426255
Produktinformationen "Schraubbockaufsatz Nr. 6441 Einsteckzapfen-Ø 12 mm Prisma Außen-Ø 65 mm"
Prisma · passend für Schraubböcke mit 12-mm-Zentrierloch · Stahl vergütet · im Brünierton angelassen
Weitere technische Eigenschaften:
· Einsteckzapfen-Ø: 12mm
· D: 65mm
· H: 30mm
· D1: min. 22 mm / max. 100 mm
Weitere technische Eigenschaften:
· Einsteckzapfen-Ø: 12mm
· D: 65mm
· H: 30mm
· D1: min. 22 mm / max. 100 mm
| Marke: | AMF |
|---|---|
| Außen-Ø: | 65 mm |
| Form: | Prisma |
Anmelden
Keine Bewertungen gefunden. Teilen Sie Ihre Erfahrungen mit anderen.